Secara garis besar, ada 8 tahapan dalam pembuatan Tampilan Animasi:
- Membuat gambar background tampilan.
- Menampilkan gambar background di LabVIEW.
- Menambahkan gambar objek yang bergerak.
- Menambahkan State Machine.
- Menambahkan program untuk Wadah
- Menambahkan program untuk Lengan Robot
- Menambahkan program untuk Roda
- Menambahkan program untuk Animasi Pengisian
1. MEMBUAT GAMBAR BACKGROUND TAMPILAN
Berikut langkah-langkahnya:
1. Mula-mula, install inkscape untuk membuat gambar background tampilan. Inkscape merupakan software untuk membuat gambar yang gratis dan populer. Pembaca dapat mengunduh Inkscape di link ini: https://inkscape.org/release/inkscape-1.2.1/windows/64-bit/msi/?redirected=1
2. Setelah berhasil menginstal Inkscape, buka Inkscape dan buat gambar seperti berikut ini.
Gambar 1. Gambar background tampilan yang dibuat di Inkscape
3. Untuk membuat gambar di atas, hal pertama yang harus dilakukan adalah mengubah ukuran unit gambar dari mm menjadi pixel (px). Untuk mengubah unit ini, silahkan membuka menu File, dan pilih Document Properties. Ubah Format Front Page dan Display Units dari mm menjadi px.
4. Berikutnya munculkan grid dengan membuka menu View, dan centang pada pilihan Page Grid.
5. Berikutnya agar penggambaran dapat tepat berada pada grid, aktifkan snapping, dengan cara menekan tombol di pojok kanan yang bergambar magnet U.
6. Berikutnya, buat objek-objek pada gambar di atas mengikuti tabel berikut ini:
Tabel 1. Posisi dan Ukuran Objek pada Gambar Tampilan
8. Setelah selesai, simpan gambar dengan cara membuka menu File, pilih Save, beri nama sembarang, dalam contoh di sini menggunakan nama “Tampilan”.
9. Agar file gambar menjadi file berekstensi png, pilih menu File, pilih Export. Pastikan ukuran lebar dan tinggi gambar yang di-export adalah sebesar 600 dan 250, dengan posisi Left = 0 dan Top = 0. Tekan tombol Export, maka file Tampilan.png akan muncul.
10. Rekan-rekan dapat mendownload file gambar hasil pembuatan inskcape di atas di link ini: https://drive.google.com/file/d/1etyOFIy8XlZDGHvh2iMN6GyQtswvJPGH/view?usp=sharing
2. MENAMPILKAN GAMBAR BACKGROUND DI LABVIEW
Berikut langkah-langkahnya:
1. Mula-mula install software LabVIEW. Pembaca dapat mengunduh software LabVIEW (versi 2015) di link ini: https://drive.google.com/file/d/1wKpMuxQopmBlfm7KXTMtx1ABqMHE-HKU/view?usp=sharing
Tips instalasi: Gunakan pilihan Evaluation saat diminta mengisi lisensi. Pilihan Evaluasi memiliki masa pemakaian software terbatas (hanya 7 hari). Untuk memperpanjang masa pemakaian, sebelum membuka LabVIEW, mundurkan waktu di komputer menjadi tahun yang lampau, contoh tahun 2000. Dengan memundurkan waktu komputer ini, masa pemakaian software akan menjadi lebih lama.
2. Setelah terinstal, buka LabVIEW, pilih menu File, pilih New VI, maka akan muncul 2 jendela. Jendela berwarna abu-abu dengan grid adalah jendela Front Panel, sedangkan jendela berwarna putih adalah jendela Block Diagram.
3. Tekan tombol Control dan T untuk membuat Front Panel dan Block Diagram berdampingan.
4. Di Front Panel, ambil objek 2D Picture dari Palet Controls, yang ada di kategori Graph, di dalam Controls. Untuk memunculkan Palet Controls, klik kanan halaman Front Panel, maka muncul Palet Controls di Front Panel seperti gambar berikut.
Gambar 2. Objek 2D Picture di Front Panel
5. Tarik objek 2D Picture tersebut keluar dari kotak Palet, dan tempatkan di Front Panel. Klik kanan objek 2D Picture tersebut, pilih Properties. Pada kolom Height, ganti nilainya menjadi 250, dan di kolom Width , ganti nilainya menjadi 600. Klik OK.
6. Di Block Diagram, ambil icon Read PNG File dari Palet Function dengan bantuan tombol Search, yang ada di pojok kanan atas Palet Functions. Palet Function ini dimunculkan dengan meng-klik kanan Block Diagram.
7. Ulangi Langkah no. 6 di atas untuk mengambil fungsi Draw Flattened Pixmap.
8. Klik kanan kaki input path dari icon Read PNG File, pilih Create, pilih Constant. Isi path Constant dengan file gambar yang akan dibaca, dalam contoh di sini bernama “Tampilan.png”.
9. Hubungkan kaki output image data icon Read PNG File dengan kaki input image data icon Draw Flattened Pixmap, seperti ditunjukkan pada Gambar 3 berikut ini.
10. Hubungkan kaki output new picture icon Draw Flattened Pixmap dengan kaki input 2D Picture.
11. Simpan program LabVIEW ini di dalam folder LabVIEW Data di My Documents, begitu juga file Tampilan.png, tempatkan di lokasi yang sama dengan file program LabVIEW.
12. Jalankan program LabVIEW dengan menekan tombol Run (bergambar tanda panah ke kanan), maka seharusnya objek 2D Picture menampilkan gambar Tampilan.png seperti Gambar 3 di atas.
13. Rekan-rekan dapat mendownload file program LabVIEW dengan gambar tampilan latar di atas di link ini: https://drive.google.com/file/d/1mEZMncjVwq_eO4iAK9BqHHpBe4htt_ON/view?usp=sharing
3. MENAMBAHKAN GAMBAR OBJEK YANG BERGERAK
Berikut langkah-langkahnya:
1. Dalam contoh di sini, dinginkan ada 4 objek yang bergerak, yaitu:
- Wadah
- Lengan Robot
- Roda Konveyor
- Cairan yang diisikan ke Wadah
2. Untuk membuat gambar objek yang bergerak, gunakan icon-icon Picture Functions di Block Diagram. Berikut ini icon-icon atau fungsi-fungsi yang terdapat pada Picture Functions, di kategori Graphics & Sound, di Programming, di Palet Function.
Gambar 4. Fungsi-fungsi Picture Functions, di kategori Graphics & Sound, di Programming
3. Berikut ini 3 buah fungsi pembuatan gambar objek yang digunakan:
Gambar 5. Ketiga fungsi pembuatan gambar: Draw Rectangle, Draw Multiple Lines, Draw Arc
4. Berikut ini secara berturut-turut program untuk pembuatan objek Wadah, Lengan Robot, 4 buah Roda Konveyor dan Cairan.
Gambar 6. Penambahan gambar objek Wadah dengan icon Draw Rectangle
Gambar 7. Penambahan gambar objek Lengan Robot dengan icon Draw Multiple Lines
Gambar 8. Penambahan gambar objek 4 Roda Konveyor dengan icon Draw Arc
Gambar 9. Penambahan gambar objek Cairan dengan icon Draw Rectangle
Catatan: Perhatikan penempatan icon Draw Rectangle Pengisian cairan, yang diletakkan di depan icon Draw Rectangle Wadah. Mengapa diletakkan di depan? Karena diinginkan gambar Wadah berada di tumpukan di atas gambar Pengisian Cairan. Jadi objek yang digambar lebih dulu akan ditempatkan di bawah, sedangkan objek yang digambar setelahnya, akan ditempatkan di atasnya.
5. Rekan-rekan dapat mendownload file program LabVIEW untuk penambahan gambar objek yang bergerak di link ini:
4. MENAMBAHKAN STATE MACHINE
Setelah semua gambar objek (yang bergerak) dapat dimunculkan, maka langkah berikutnya adalah membuat objek tersebut dapat bergerak, yaitu dengan membuat program yang dapat mengubah koordinat posisi objek sesuai dengan tahapan kondisinya. Membahas tentang tahapan kondisi, maka tidak bisa tidak, perlu memahami tentang algoritma pemrograman yang cukup populer di LabVIEW, yaitu State Machine.
Apa itu State Machine? State Machine adalah sebuah konsep atau model suatu alat yang bisa berada di salah satu keadaan dari sejumlah kemungkinan keadaan pada suatu waktu tertentu. State Machine menyatakan tingkah laku atau prinsip kerja sistem dengan tiga hal: State(keadaan), Event(kejadian) dan Action(aksi). State Machine digunakan di sini untuk memastikan dan menentukan perubahan apa yang akan terjadi pada sistem untuk setiap state atau keadaan.
Gambar 10 berikut ini menunjukkan program State Machine di Block Diagram LabVIEW. Dari program State Machine tersebut, diketahui bahwa untuk membuat State Machine, dibutuhkan 4 komponen, yaitu: While Loop, Case Structure, State Enum dan Shift Register. While Loop digunakan untuk melakukan perulangan. Case Structure digunakan untuk pemilihan keadaan apa yang sedang terjadi. State Enum digunakan untuk menampung daftar keadaan yang mungkin terjadi. Shift Register digunakan untuk menyimpan peralihan keadaan.
Gambar 10. Contoh State Machine di Block Diagram LabVIEW
Untuk membuat program State Machine, berikut ini langkah-langkahnya:
1. Di Front Panel, ambil dan tempatkan 8 buah tombol OK Button secara berdampingan, dan beri nama secara berurutan S1, S2, S3, S4, S5, S6, S7 dan S8.
2. Ambil objek Cluster dari kategori Array, Matrix & Cluster di Palet Controls, dan tempatkan di Front Panel. Perlebar ukuran Cluster sehingga bisa menampung kedelapan tombol (S1-S8) di atas, kemudian pindahkan tombol S1-S8 ke dalam Cluster.
Gambar 11. Menempatkan 8 buah tombol S1-S8 ke dalam Cluster
3. Buat objek Cluster membungkus rapat kedelapan tombol dengan cara meng-klik kanan objek Cluster, pilih AutoSizing, pilih Size to Fit.
4. Perhatikan di Block Diagram, ketika kedelapan tombol dimasukkan ke objek Cluster, kedelapan buah icon OK Button menjadi hilang, menjadi bagian dari icon Cluster.
Catatan: Apa itu Cluster? Cluster adalah wadah kumpulan data atau nilai. Cluster dan Array adalah sama-sama wadah untuk menampung banyak nilai. Hanya bedanya, Cluster bisa menampung anggota dengan tipe data yang berbeda-beda, sedangkan Array hanya bisa menampung anggota dengan tipe data yang sama. Sebenarnya kedelapan tombol OK Button di atas bisa diwadahi juga di Array. Hanya saja, apabila menggunakan Array, maka setiap tombol tersebut tidak dapat diberi nama yang berbeda. Sebaliknya dengan Cluster, setiap tombol bisa diberi nama yang berbeda.
5. Kedelapan tombol tersebut nantinya digunakan untuk membuat program berpindah dari satu keadaan ke keadaan berikutnya. Diinginkan ada 8 keadaan yang terjadi, seperti ditunjukkan dalam tabel berikut:
Tabel 2. Delapan Keadaan dan Pemicu Peralihan
6. Untuk menampung 8 keadaan tersebut, di Block Diagram, ambil sebuah icon Enum Constant di kategori Numeric, di Palet Function.
7. Klik kanan pada icon Enum Constant tersebut, pilih Make Type Def.
8. Klik kanan kembali icon Enum Constant, pilih Open Type Def, maka muncul jendela Control Type Def. Di jendela Control Type Def, klik kanan objek Enum, pilih Edit Items.
9. Pada jendela Enum Properties, di Tab Edit Items, isikan kedelapan keadaan pada kolom Items, seperti berikut.
Gambar 12. Isi Enum Constant dengan 8 keadaan di kolom Items
10. Klik OK, tutup jendela Control Type Def. dan simpan dengan nama Enum.ctl.
11. Perhatikan di Block Diagram, icon Enum seharusnya berisikan daftar 8 keadaan berikut:
Gambar 13. Icon Enum Constant berisi 8 keadaan
12. Berikutnya, tambahkan While Loop. Tempatkan Enum Constant di luar While Loop.
13. Tambahkan kotak Case Structure di dalam While Loop.
14. Hubungkan Enum Constant ke Terminal Case Selector (?) menembus dinding While Loop.
15. Agar semua keadaan dapat dimunculkan di Selector Label Case Structure, klik kanan Selector Label, kemudian pilih Add Case for Every Value, maka semua keadaan ada di Case Structure.
Gambar 14. Klik kanan Selector Label, pilih Add Case for Every Value
Gambar 15. Mengganti tunnel (tembusan) dengan Shift Register
17. Berikutnya, di Block Diagram, tempatkan icon Cluster di dalam While Loop, di luar Case Structure. Ambil icon Unbundle dari kategori Cluster, Class & Variant di Palet Function.
18. Hubungkan kaki output icon Cluster ke kaki input Unbundle.
19. Di Case “Kondisi awal”, tempatkan icon Select, dengan kaki input s Select dihubungkan ke kaki output Unbundle yang paling atas, dan hubungkan kaki output Select ke Terminal Shift Register di sisi kanan seperti gambar berikut.
Gambar 16. Menempatkan Cluster ke dalam While Loop dan dihubungkan ke Unbundle
20. Berikutnya tambahkan icon Select. Hubungkan kaki input f Select ke garis data Shift Register melalui Terminal Case Selector (?). Klik kanan pada kaki input t Select, pilih Create, pilih Constant, pilih “K1 Berjalan” seperti gambar berikut.
Gambar 17. Menambahkan icon Select untuk membuat peralihan saat tombol S1 ditekan
21. Ulangi langkah no. 19 dan 20 di atas untuk Case “K1 Berjalan”, dengan input s Select di kaki output Unbundle yang kedua, dan kaki input t Select di “LR turun di K1”.
Gambar 18. Membuat peralihan ke Case berikutnya ketika tombol S2 ditekan
22. Berikut ini secara berturut-turut isi 6 Case lainnya, yang akan beralih ke Case berikutnya ketika tombol S3, S4, S5, S6, S7 atau S8 ditekan.
Gambar 19. Membuat peralihan ke Case berikutnya ketika tombol S3 ditekan
Gambar 20. Membuat peralihan ke Case berikutnya ketika tombol S4 ditekan
Gambar 21. Membuat peralihan ke Case berikutnya ketika tombol S5 ditekan
Gambar 22. Membuat peralihan ke Case berikutnya ketika tombol S6 ditekan
Gambar 23. Membuat peralihan ke Case berikutnya ketika tombol S7 ditekan
Gambar 24. Membuat peralihan ke Case berikutnya ketika tombol S8 ditekan
Catatan: Untuk memastikan bahwa sambungan keluar Case Structure sudah benar, perhatikan kotak kecil yang menembus dinding Case Structure. Apabila kotak kecil tersebut masih kosong, berarti belum semua Case terhubung ke kotak tersebut. Apabila kotak kecil tersebut berwarna penuh, seperti terlihat pada Gambar 25, menunjukkan bahwa semua Case sudah terhubung ke kotak kecil tersebut. Perhatikan juga isi Enum Constant yang terhubung ke input t Select di setiap Case. Seharusnya isi Enum Constant adalah keadaan berikutnya dari keadaan Case di mana Enum Constant tersebut ditempatkan.
23. Berikutnya, agar keadaan yang sedang berlangsung dapat ditampilkan di Front Panel, ambil dan tempatkan sebuah icon Format Into String, yang diambil dari kategori String di Palet Function. Hubungkan kaki input1 Format Into String dengan garis data Shift Register di kanan Case Structure. Kemudian klik kanan kaki output Format Into String, pilih Create, pilih Indicator, maka akan muncul String Indicator resulting string. Ubah nama resulting string menjadi Proses.
24. Ambil sebuah Numeric Indicator, beri nama Label Tahap, dan hubungkan dengan garis data Shift Register di kanan Case Structure.
25. Berikutnya, agar While Loop dapat dihentikan, tambahkan tombol Stop dengan cara meng-klik kanan Terminal Loop Condition, pilih Create, pilih Control. Kemudian agar While Loop tidak berjalan terlalu cepat, tambahkan Wait(ms), dan beri input 100.
Gambar 25. Menambahkan String Indicator Proses, Numeric Indicator Tahap, tombol Stop dan Wait 100ms
26. Menambahkan Format Into String, String Indicator Proses, Numeric Indicator Tahap, tombol Stop dan Wait(ms) sebesar 100.
27. Sampai di sini program State Machine sudah selesai. Berikutnya akan dilanjutkan dengan pengisian program di setiap tahapan keadaan di State Machine.
Gambar 26. String Indicator Proses dan Numeric Indicator Tahap menampilkan state yang sedang berlangsung
28. Rekan-rekan dapat mendownload file program LabVIEW untuk penambahan State Machine di atas di link ini: https://drive.google.com/file/d/1ODsHmlzhE3aM0CsaD3CqMkjDPl26bKuc/view?usp=sharing
5. MENAMBAHKAN PROGRAM UNTUK WADAH
Berikut ini langkah-langkah penambahan program untuk Wadah:
1. Kembali ke fungsi gambar yang telah dibuat sebelumnya, berhubung ada 2 jenis gambar objek, yaitu gambar objek yang diam (gambar latar belakang), dan gambar objek yang bergerak, maka perlu diatur penempatannya. Fungsi gambar objek yang diam ditempatkan di luar While Loop, sedangkan fungsi gambar objek yang bergerak ditempatkan di dalam While Loop. Gambar berikut menunjukkan pengaturan penempatannya.
Gambar 27. Fungsi gambar objek yang bergerak diletakkan di While Loop
2. Perbesar ukuran While Loop, dan masukkan fungsi gambar objek yang bergerak ke dalam While Loop, dan sambungkan kembali garis datanya.
Gambar 28. Fungsi gambar objek yang bergerak ditempatkan di While Loop
3. Ada 4 objek yang bergerak, yaitu Wadah, Lengan Robot, Roda Konveyor dan Cairan yang diisikan ke Wadah. Mulai dari Wadah, berikut ini Tabel posisi Wadah di setiap Keadaan:
Tabel 3. Posisi Wadah di setiap Keadaan
4. Untuk menerapkan posisi Wadah seperti Tabel di atas, gunakan Case Structure ditambah dengan Shift Register. Case Structure digunakan untuk mengubah posisi sesuai dengan tahapan yang sedang terjadi, sedangkan Shift Register digunakan untuk menyimpan posisi Wadah dalam setiap perulangan.
Gambar 29. Program untuk posisi Wadah di Case “Kondisi awal”
Gambar 30. Program untuk posisi Wadah di Case “K1 berjalan”
Gambar 31. Program untuk posisi Wadah di Case “LR turun di K1"
Gambar 32. Program untuk posisi Wadah di Case “LR angkat Benda”
Gambar 33. Program untuk posisi Wadah di Case “LR geser Benda”
Gambar34. Program untuk posisi Wadah di Case “LR turun di K2”
Gambar 35. Program untuk posisi Wadah di Case “K2 berjalan”
Gambar 35. Program untuk posisi Wadah di Case “Katup terbuka”
Gambar 36. Wadah bergerak mengikuti keadaan sesuai Tabel di atas
5. Rekan-rekan dapat mendownload file program LabVIEW untuk penambahan objek Wadah di atas di link ini: https://drive.google.com/file/d/1vHmeHJdqWeh27oCeN1C1jTokmGwgb9kX/view?usp=sharing
6. MENAMBAHKAN PROGRAM UNTUK LENGAN ROBOT
Berikut ini langkah-langkah penambahan program untuk Lengan Robot:
1. Berikut ini Tabel Posisi Lengan Robot di setiap Keadaan.
Tabel 4. Posisi Lengan Robot di setiap Keadaan
2. Berikut ini berturut-turut penerapan program untuk posisi Lengan Robot sesuai tabel di atas. Mula-mula, tambahkan Shift Register untuk menyimpan posisi Lengan Robot dalam setiap perulangan.
Gambar 37. Program untuk posisi Lengan Robot di Case “Kondisi awal”
Gambar 38. Program untuk posisi Lengan Robot di Case “K1 berjalan”
Gambar 39. Program untuk posisi Lengan Robot di Case “LR turun di K1”
Gambar 40. Program untuk posisi Lengan Robot di Case “LR angkat Benda”
Gambar 41. Program untuk posisi Lengan Robot di Case “LR geser Benda”
Gambar 41. Program untuk posisi Lengan Robot di Case “K2 berjalan”
Gambar 42. Program untuk posisi Lengan Robot di Case “Katup terbuka”
Catatan: Berbeda dengan kotak posisi Wadah yang hanya berupa sebuah Cluster dengan 4 buah anggota, di kotak posisi Lengan Robot, tidak hanya Cluster, tetapi Array dari Cluster, tepatnya Array dengan jumlah anggota 10 buah Cluster, di mana setiap Cluster memiliki 2 buah anggota, untuk koordinat sumbu x dan y. Untuk menguraikan Cluster, gunakan Unbundle, dan untuk menyatukannya, gunakan Bundle. Sedangkan untuk menguraikan Array, gunakan Index Array, dan untuk menyatukannya, gunakan Build Array. Di samping Index Array dan Build Array, For Loop dapat juga digunakan. Hal yang menarik dengan For Loop, apabila Array dimasukkan ke For Loop dengan Terminal N tidak diberi input, maka Array tersebut akan diuraikan. Sedangkan apabila sebuah data dikeluarkan dari For Loop, data tersebut akan menjadi Array.
Keterangan: Agar Gripper Lengan Robot dapat menutup ketika tombol S3 ditekan, dan Gripper membuka ketika tombol S6 ditekan, digunakan 2 buah fungsi Replace Array Subset, yang me-replace nilai Array untuk posisi kedua titik ujung Gripper dengan nilai yang baru sehingga dapat “menutup” dan “membuka”.
3. Jalankan program LabVIEW. Seharusnya setiap kali penekanan tombol dari S1 sampai S8 akan membuat Lengan Robot bergerak sesuai tabel Posisi.
Gambar 43. Lengan Robot bergerak mengikuti keadaan sesuai Tabel di atas
4. Rekan-rekan dapat mendownload file program LabVIEW untuk penambahan objek Lengan Robot di atas di link ini: https://drive.google.com/file/d/1j4gNgO1mw13sI0n29jllXBtXVVRurCGi/view?usp=sharing
7. MENAMBAHKAN PROGRAM UNTUK RODA KONVEYOR
Berikut ini langkah-langkah penambahan program untuk keempat Roda Konveyor:
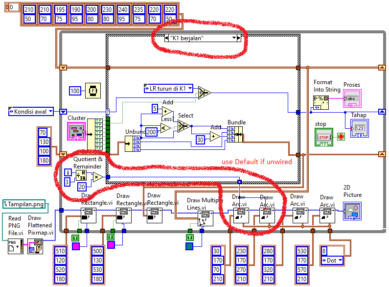
1. Dengan menggunakan Draw Arc.vi, dapat dibuat Roda Konveyor seolah-olah berputar, yaitu dengan memasukkan nilai di kaki input start angle. Nilai untuk kaki input start angle ini dapat diambilkan dari nilai di Terminal i (iteration) yang selalu bertambah setiap kali terjadi pengulangan.
2. Untuk mendapatkan nilai input start angle yang tepat (sehingga Roda Konveyor dapat terlihat berputar cepat), tambahkan output iterasi dengan fungsi Quotient & Remainder, dengan angka pembagi 3, dan output Remainder dikalikan 20. Dengan cara ini, kaki input start angle setiap terjadi perulangan akan mendapat nilai 0, kemudian 20, kemudian 40, dan kembali berulang ke 0, demikian seterusnya.
3. Agar 2 Roda Konveyor K1 hanya berputar ketika keadaan “K1 berjalan”, maka buat agar garis data dari Quotient & Remainder ke kaki input start angle melewati Case Structure di Case “K1 berjalan”. Kemudian klik kanan pada kotak kecil di dinding Case Structure, pilih Use Default if Unwired.
Gambar 44. Membuat 2 Roda Konveyor K1 berputar hanya ketika “K1 berjalan”
4. Sama seperti langkah no. 3 di atas, agar 2 Roda Konveyor K2 hanya berputar ketika keadaan “K2 berjalan”, maka buat agar garis data dari Quotient & Remainder ke kaki input start angle melewati Case Structure di Case “K2 berjalan”. Kemudian klik kanan pada kotak kecil di dinding Case Structure, pilih Use Default if Unwired.
Gambar 45. Membuat 2 Roda Konveyor K2 berputar hanya ketika “K2 berjalan”
5. Berikutnya, untuk membuat Roda Konveyor1 mengikuti posisi Wadah, yaitu Roda Konveyor K1 hanya berputar apabila Wadah bergeser, tambahkan icon Select, dan teruskan nilai dari Quotient & Remainder mengikuti syarat Wadah berjalan di Case K1 berjalan.
Gambar 46. Membuat Roda Konveyor K1 hanya berputar apabila Wadah bergeser di atasnya
6. Berikutnya, untuk membuat Roda Konveyor2 mengikuti posisi Wadah, yaitu Roda Konveyor K2 hanya berputar apabila Wadah bergeser, tambahkan icon Select, dan teruskan nilai dari Quotient & Remainder mengikuti syarat Wadah berjalan di Case K2 berjalan.
Gambar 47. Membuat Roda Konveyor K2 hanya berputar apabila Wadah bergeser di atasnya
7. Jalankan program LabVIEW. Seharusnya Roda Konveyor K1 dan K2 hanya berputar apabila Wadah bergeser di atas Konveyor.
8. Rekan-rekan dapat mendownload file program LabVIEW untuk penambahan objek Roda Konveyor di atas di link ini: https://drive.google.com/file/d/1Y0lDvuUK3Bdliv030MCRxNcNTZ9LIreN/view?usp=sharing
8. MENAMBAHKAN PROGRAM UNTUK ANIMASI PENGISIAN
Berikut ini langkah-langkah penambahan program untuk animasi pengisian:
1. Ada 2 buah Draw Rectangle digunakan untuk membuat animasi pengisian ini. Draw Rectangle yang pertama, yang berisi data posisi 510, 120, 520, 180, digunakan untuk mensimulasikan cairan yang keluar dari Tangki. Sedangkan Draw Rectangle yang kedua, yang berisi data posisi 500, 130, 530, 180, digunakan untuk mensimulasikan cairan di dalam Wadah, yang seharusnya mulai dari dasar, kemudian bertambah tinggi hingga memenuhi Wadah. Agar bisa mulai dari dasar, ubah data posisi tersebut menjadi 500,180,530,180. Kemudian agar data tersebut dapat berubah, tambahkan sebuah Shift Register seperti berikut ini.
Gambar 48. Menambahkan Shift Register untuk animasi pengisian
2. Berikutnya, untuk Case yang lain selain Case “Kondisi awal” dan Case “Katup terbuka”, teruskan garis data Shift Register di kiri dengan Shift Register di kanan.
Gambar 49. Meneruskan garis data di setiap Case kecuali di Case Kondisi awal dan Katup terbuka
3. Berikutnya di Case “Katup terbuka”, buat agar isian Wadah bisa bertambah tinggi mulai dari dasar dengan menambahkan program seperti berikut ini:
Gambar 50. Membuat isian Wadah bertambah tinggi mulai dari dasar
4. Untuk Draw Rectangle yang pertama, yang mensimulasikan cairan yang keluar dari Tangki, seharusnya hanya muncul ketika keadaan “Katup terbuka”, dan menghilang di keadaan yang lain. Untuk membuat cairan yang keluar dari Tangki ini menghilang, gunakan warna Transparan (T). Untuk itu tempatkan icon Select, beri input t dengan warna isian (pink) dan input f dengan warna transparan (T), sedangkan input s yang di tengah, berikan data dari persyaratan pada animasi pengisian. Buat kotak kecil tembusan yang keluar dari Case Structure menjadi penuh dengan memilih Use Default if unwired (mengisi nilai False untuk semua Case yang lain), seperti ditunjukkan pada gambar berikut.
Gambar 51. Membuat cairan pengisian hanya muncul ketika proses pengisian terjadi
5. Jalankan program LabVIEW. Seharusnya cairan yang keluar dari Tangki hanya muncul ketika proses pengisian berlangsung.
Gambar 52. Cairan pengisian hanya muncul ketika proses pengisian terjadi
6. Untuk mencegah terjadinya kesalahan akibat penekanan tombol berikutnya, padahal prosesnya masih berjalan, tambahkan persyaratan untuk transisi/peralihan ke state berikutnya, yaitu peralihan hanya terjadi Ketika tombol berikutnya ditekan dan proses sudah selesai. Berikut contoh program penambahan syarat di Case “K1 berjalan”.
Gambar 53. Peralihan hanya terjadi ketika tombol berikutnya ditekan dan proses sudah selesai
7. Rekan-rekan dapat mendownload file program LabVIEW untuk penambahan objek cairan pengisian di atas di link ini: https://drive.google.com/file/d/1dqw3n7dy9eQCu6G0IzKKsd1izUF3LZCb/view?usp=sharing
8. Agar lebih jelas, rekan-rekan dapat melihat video pembuatan tampilan animasi di LabVIEW berikut ini:
Video Pembuatan Tampilan Animasi pertama
Video Pembuatan Tampilan Animasi kedua





























































No comments:
Post a Comment